几乎免润滑,带密封的公制尺寸SKF Explorer 径向球面滑动轴承径向球面滑动轴承能够承受径向以及径向和轴向组合负载以及不对中。 这种特定设计包括 SKF Explorer 钢对钢滑动接触面组合。 已经预填润滑脂,两侧带三唇重型接触式密封。 与传统的钢对钢轴承相比,它们的额定动载增加。设计用于径...
需维护阳螺纹杆端轴承
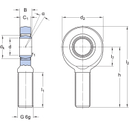
这种 SKF 杆端轴承包含带有钢对钢滑动接触面组合的球面滑动轴承。

轴承需要维护,可以从侧面补充润滑。 提供左旋(前缀 SAL)或右旋的阳螺纹。
适合静载、交替载荷或冲击重载;简单,安装方便
